
Mã sản phẩm:
HER
Thương hiệu:
Robo
Xuất xứ:
Việt Nam
Bảo hành:
12 tháng trên toàn quốc
Tư vấn miễn phí
Giải đáp mọi thắc mắc của khách hàng.
Thanh toán linh hoạt
Thanh toán tiền mặt hoặc chuyển khoản
Van điện từ giảm áp Robo là thiết bị điều khiển áp suất thông minh, hoạt động dựa trên cơ chế điện từ giúp giảm áp suất đầu vào xuống mức ổn định tại đầu ra, từ đó bảo vệ hệ thống đường ống và thiết bị phía sau van. Với thiết kế hiện đại, độ bền cao và khả năng vận hành tự động, sản phẩm đặc biệt phù hợp cho các hệ thống cấp nước, xử lý nước, hệ thống chữa cháy, PCCC, công nghiệp thực phẩm, HVAC, v.v.
Đặc điểm nổi bật của van điện từ giảm áp Robo
Van điện từ giảm áp Robo được cấu tạo từ nhiều bộ phận cơ khí chính xác, với vật liệu đạt tiêu chuẩn quốc tế nhằm đảm bảo khả năng hoạt động ổn định, chống ăn mòn và chịu áp lực tốt.
Vật liệu cấu tạo chính gồm gang cầu, inox và đồng, được lựa chọn để đảm bảo độ bền, khả năng chịu áp lực và sự ổn định lâu dài khi hoạt động trong môi trường nước hoặc dung dịch có tính ăn mòn nhẹ.
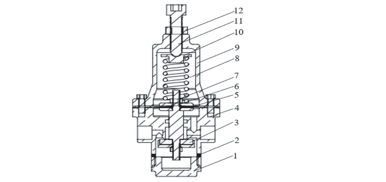
Pilot là bộ phận quan trọng giúp điều khiển chức năng giảm áp của van. Dưới đây là cấu tạo chi tiết của Pilot:
Phạm vi điều chỉnh áp suất của Pilot từ 2 – 8 bar, phù hợp với các ứng dụng yêu cầu kiểm soát áp suất đầu ra ổn định.
Van điện từ giảm áp Robo được thiết kế với nhiều kích cỡ từ DN50 đến DN300, phù hợp với đa dạng hệ thống đường ống công nghiệp. Dưới đây là bảng kích thước chi tiết:
Van điện từ giảm áp Robo có sơ đồ kết nối trực quan và rõ ràng, giúp kỹ thuật viên dễ dàng lắp đặt vào hệ thống. Cấu tạo sơ đồ bao gồm:
Ngoài ra, sơ đồ mặt cắt chi tiết cung cấp các thông số đường kính lỗ bắt bu lông (n-Φd), chiều cao (H), chiều dài thân van (L) và khoảng cách giữa các mặt bích (D, K), hỗ trợ kỹ sư trong việc chọn đúng loại van và chuẩn bị sẵn mặt bích kết nối.
Khi đặt hàng van điện từ giảm áp Robo, khách hàng cần lưu ý các ký hiệu trong mã sản phẩm như sau:
Hãy xác định rõ kích thước đường ống, áp suất làm việc và chế độ hoạt động mong muốn (C hoặc O) để được tư vấn loại van phù hợp nhất.