
Mã sản phẩm:
WBG
Thương hiệu:
Robo
Xuất xứ:
Việt Nam
Bảo hành:
12 tháng trên toàn quốc
Tư vấn miễn phí
Giải đáp mọi thắc mắc của khách hàng.
Thanh toán linh hoạt
Thanh toán tiền mặt hoặc chuyển khoản
Van bướm tay quay Robo là thiết bị điều khiển dòng chảy được thiết kế theo các tiêu chuẩn quốc tế nghiêm ngặt, phù hợp với nhiều hệ thống đường ống công nghiệp, xử lý nước, HVAC, và các nhà máy chế biến. Với cấu tạo chắc chắn, cơ chế vận hành đơn giản bằng tay quay, sản phẩm đảm bảo độ kín cao, vận hành ổn định và tuổi thọ lâu dài.
Ưu điểm nổi bật của van bướm tay quay Robo
Van bướm tay quay Robo được cấu tạo từ các thành phần chất lượng cao, đảm bảo hoạt động bền bỉ, chính xác và hiệu quả trong nhiều môi trường vận hành khác nhau. Mỗi bộ phận đều được lựa chọn kỹ lưỡng từ vật liệu tiêu chuẩn công nghiệp:
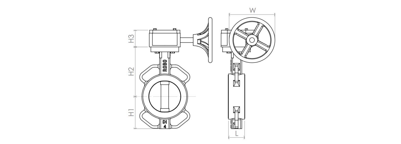
Van bướm tay quay Robo có nhiều kích thước khác nhau từ DN50 đến DN200, phù hợp với nhiều yêu cầu thiết kế hệ thống đường ống. Dưới đây là bảng kích thước chi tiết:
Với thiết kế nhỏ gọn, các kích thước được tối ưu để dễ dàng lắp đặt trong không gian hạn chế, đồng thời đảm bảo lực đóng mở phù hợp với từng đường kính ống.
Van bướm tay quay Robo được thiết kế theo kiểu Wafer, nghĩa là van được lắp đặt kẹp giữa hai mặt bích của đường ống, sau đó siết chặt bằng bulong để cố định. Sơ đồ kết nối thể hiện rõ:
Quá trình lắp đặt van bướm tay quay Robo diễn ra theo quy trình đơn giản nhưng chính xác, nhằm đảm bảo độ kín và hiệu quả vận hành. Hình ảnh minh họa cho thấy hai giai đoạn chính:
Lưu ý khi lắp đặt:
Việc đặt hàng van bướm tay quay Robo cần ghi rõ mã sản phẩm đầy đủ theo tiêu chuẩn để đảm bảo đúng loại van theo yêu cầu kỹ thuật. Mã đặt hàng được cấu tạo như sau:
Ví dụ:
Mã WBG-100-16DB nghĩa là van bướm tay quay kiểu Wafer, DN100, áp suất PN16, thân gang cầu, sơn đỏ.